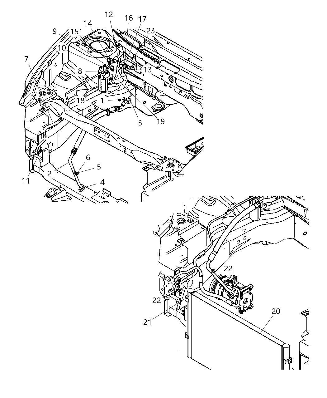
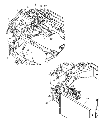
To ensure reliability, purchase Mopar part # 5019218AD Valve Kit Expansion. It is sometimes referred to as Mopar A/C Expansion Valve. OEM parts, sourced straight from Mopar, are distinguished by their superior quality, durability, and precise fit. They are subjected to rigorous quality checks, assuring its safety, resilience, and performance that aligns with your original parts.
JeepPartsDeal.com is a leading supplier of genuine Mopar parts such as Mopar 5019218AD Valve Kit Expansion. Here on our website, we provide competitively priced genuine Mopar parts you can find. Our OEM Mopar parts are backed by the manufacturer's warranty. Additionally, all orders placed with us benefit from our hassle-free return policy and swift delivery service. For detailed Dodge parts information, click here.










